| Availability: | |
|---|---|
| Quantity: | |
main feature
■Adopts PLC control, program setting, unattended automatic operation, and full monitoring of feeding, primary filtration, washing, fine filtration, and discharging.
■Variable frequency speed regulation, smooth start, and adjustable separation factor.
■Dynamic braking, non-contact braking method, no friction, no dust pollution.
■Fully enclosed structure.Seals are made of silicone rubber or fluoroelastomer.The centrifuge chamber is equipped with nitrogen protection to meet sealing and explosion-proof requirements.
■Reasonable structural design.The CIP cleaning system (spray system) ensures cleanliness requirements and complies with GMP standards.
■The automatic actuator adopts pneumatic system, which is clean and hygienic.
■Electromechanical material layer control..
■A gas-assisted scraper is optional to ensure that there is no cake left in the drum after unloading.
■No need for basic installation, simple structure, beautiful appearance and easy to clean.
■Vibration reduction and isolation system design is scientific and reasonable.It adopts balance weight and imported high-precision liquid damping agent type vibration isolator.The vibration of the equipment is completely absorbed by the vibration isolation system, and there is no vibration interference on the basic ground and surrounding environment.
■The basic balance board of the equipment can be used as an operating platform, making operation and maintenance more convenient.
■Safety protection: speed detection, over-vibration protection, cover removal protection, motor overload and overheating protection, mechanical and electric dual control of scraper flipping and lifting, and linkage locking of scraper and drum.
standard manufacturing form
■Structure: The housing is equipped with a feed pipe, a washing pipe, a sight glass, an exhaust port, and a lighting hole.Closed structure, bowl, shell and lid are all made of stainless steel SUS304.The machine base is made of castings.The surface is coated with stainless steel.The inner and outer surfaces of the drum, the casing, and the surfaces of exposed parts inside and outside the machine are all polished.
■All fasteners are made of stainless steel.
■Adopt PLC control.
■Electromechanical material process control.
■Drive and braking: ordinary motor (or explosion-proof motor) + frequency converter + energy consumption braking.
■Pneumatic system or hydraulic system.
■Basic-free type (balance weight + imported high-precision liquid damping agent type vibration isolator).


1. Scraper cylinder
2. Cover
3. Shell
4. Drums
5. Bearing seat
6. Motor
7. Framework
8. Shock absorber
9. Feed pipeline
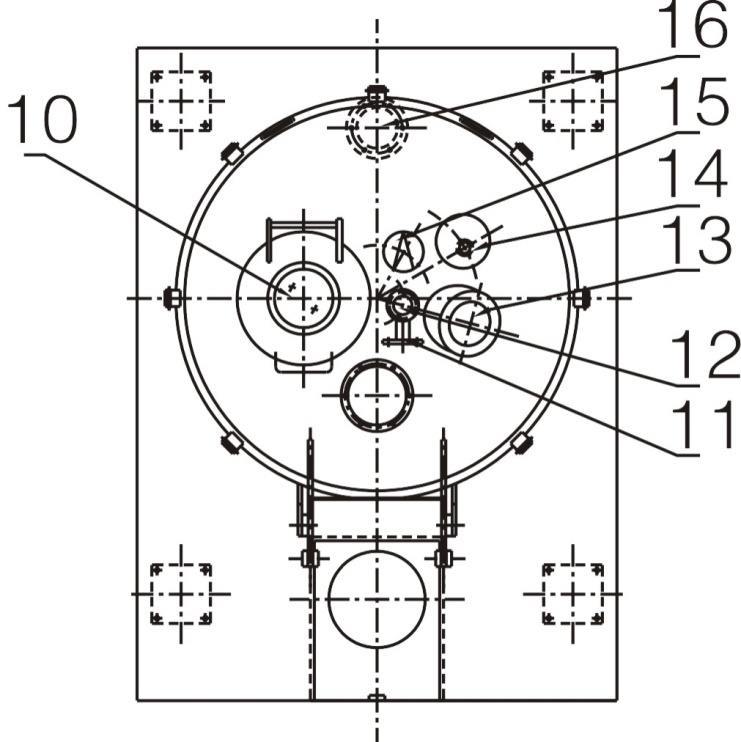
10.Manhole
11. Flush pipe
12.Nitrogen tube
13. Liquid level detector
14. Outlet pipe
1. Scraper cylinder
2. Cover
3. Shell
4. Open the oil cylinder
5. Drums
6. Bearing seat
7. Motor
8. Framework
9. Shock absorber
10.Manhole
11. Flush pipe
12. Feed pipe
13. Rotary feeder
14. Material level detector
15. Explosion-proof lights
16. Outlet pipe
