main feature
■ Automatic frequency conversion speed regulation.
■ It has all the advantages of ordinary vertical scraper discharge centrifuge.
■ Fully automatic operation for hanging bag to fall off and reset.
■ The filter bag can move up and down in the drum to produce oscillation and completely remove the remaining filter cake.
■ According to user needs, it can be made into a large clamshell type or a whole shell flip-up type.
Work principles
During the unloading process, the scraper acts and most of the material is discharged to the outside through the discharge hole at the bottom of the drum.The residual material layer will oscillate under the action of the automatic bag hanging mechanism in the drum, and the residual material layer will be removed.

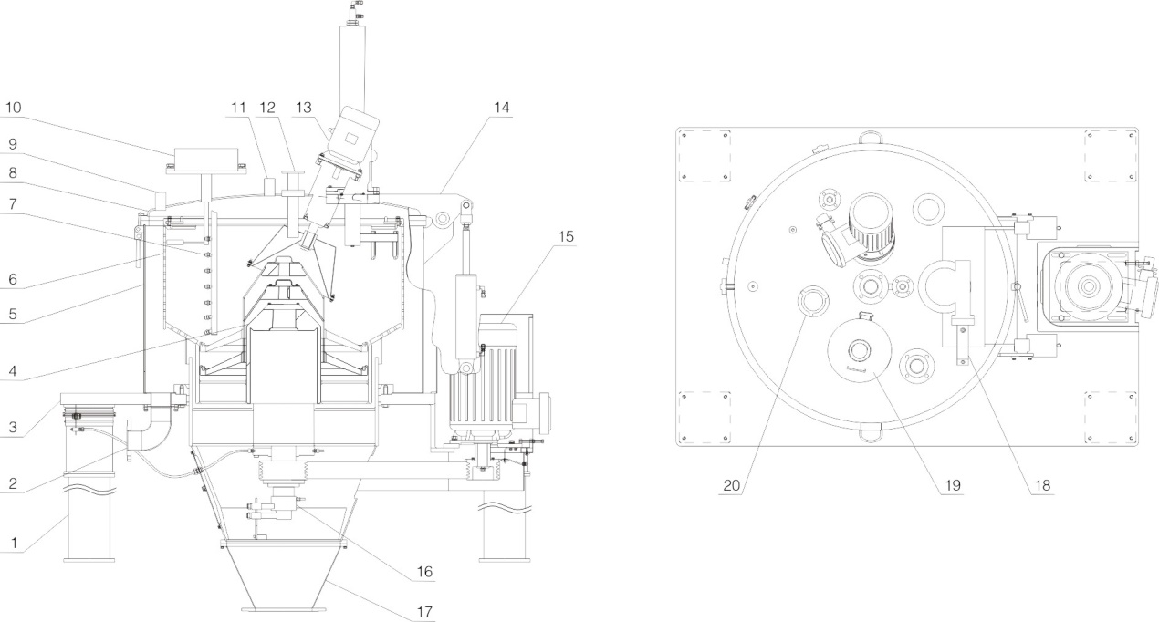
1. Shock absorber
2. Mother liquor outlet
3. Base
4. Spindle part
5. Housing
6. Bowl part
7. Flush pipe
8. Cover
9. Oxygen connecting tube
10. Liquid level detector
11.Nitrogen tube
12. Infusion tube
13. Rotary distributor
14. Turning device
15. Motor part
16. Pneumatic devices
17. Discharge port
18.Scraper device
19. Hand holes and sight glasses
20. Check hole light
